Remarque
Ce chapitre ne s’applique pas à l’Allemagne, à la Suisse et à la France, en raison de réglementations nationales différentes. Pour plus d’informations, veuillez contacter le service Technique produit du pays concerné !
La fixation au moyen de pattes fixes et coulissantes se fait en fonction des contraintes statiques. Les normes et règles professionnelles nationales peuvent présenter des spécifications divergentes d’un pays à l’autre, qu’il convient de prendre en compte. Dans les tableaux ci-dessous, vous trouverez des indications sur le nombre minimum de pattes [pièces/m²] en fonction de la catégorie de terrain, de la hauteur du bâtiment et de la vitesse de référence du vent.
Le nombre minimum de pattes indiqué tient compte d’un facteur de sécurité de 1,35 et doit être considéré comme une valeur calculée de façon théorique. R = rives (facteur de sécurité extérieur cpe = –2,9), N = zone normale (facteur de sécurité extérieur = –1,3).
Catégorie de terrain II
Pression de vitesse de référence [kN/m²] |
Vitesse de référence [m/sec] |
Hauteur du bâtiment < 15 [m] |
Hauteur du bâtiment 15-30 [m] |
Hauteur du bâtiment 30-50 [m] |
N | R [pc./m²] |
N | R [pc./m²] |
N | R [pc./m²] |
||
≤ 0,32 |
≤ 22,5 |
3,7 | 8,2 |
4,3 | 9,7 |
4,9 | 10,9 |
≤ 0,39 |
≤ 25,0 |
4,5 | 10,0 |
5,3 | 11,8 |
6,0 | 13,3 |
≤ 0,47 |
≤ 27,5 |
5,4 | 12,0 |
6,4 | 14,2 |
7,2 | 16,1 |
≤ 0,56 |
≤ 30,0 |
6,4 | 14,3 |
7,6 | 16,9 |
8,6 | 19,1 |
Catégorie de terrain III
Pression de vitesse de référence [kN/m²] |
Vitesse de référence [m/sec] |
Hauteur du bâtiment < 15 [m] |
Hauteur du bâtiment 15-30 [m] |
Hauteur du bâtiment 30-50 [m] |
N | R [pc./m²] |
N | R [pc./m²] |
N | R [pc./m²] |
||
≤ 0,32 |
≤ 22,5 |
3,1 | 7,0 |
3,8 | 8,5 |
4,4 | 9,9 |
≤ 0,39 |
≤ 25,0 |
3,8 | 8,5 |
4,7 | 10,4 |
5,4 | 12,0 |
≤ 0,47 |
≤ 27,5 |
4,6 | 10,2 |
5,6 | 12,5 |
6,5 | 14,5 |
≤ 0,56 |
≤ 30,0 |
5,5 | 12,2 |
6,7 | 14,9 |
7,7 | 17,3 |
Catégorie de terrain IV
Pression de vitesse de référence [kN/m²] |
Vitesse de référence [m/sec] |
Hauteur du bâtiment < 15 [m] |
Hauteur du bâtiment 15-30 [m] |
Hauteur du bâtiment 30-50 [m] |
N | R [pc./m²] |
N | R [pc./m²] |
N | R [pc./m²] |
||
≤ 0,32 |
≤ 22,5 |
2,2 | 5,0 |
2,9 | 6,4 |
3,5 | 7,8 |
≤ 0,39 |
≤ 25,0 |
2,7 | 6,0 |
3,5 | 7,9 |
4,3 | 9,5 |
≤ 0,47 |
≤ 27,5 |
3,3 | 7,3 |
4,2 | 9,5 |
5,2 | 11,5 |
≤ 0,56 |
≤ 30,0 |
3,9 | 8,7 |
5,1 | 11,3 |
6,1 | 13,7 |
Le nombre minimum de pattes indiqué tient compte d’un facteur de sécurité de 1,35 et doit être considéré comme une valeur calculée de façon théorique. R = rives (facteur de sécurité extérieur cpe = –2,9), N = zone normale (facteur de sécurité extérieur = –1,3).
Catégorie de terrain II
Pression de vitesse de référence [kN/m²] |
Vitesse de référence [m/sec] |
Hauteur du bâtiment < 15 [m] |
Hauteur du bâtiment 15-30 [m] |
Hauteur du bâtiment 30-50 [m] |
N | R [pc./m²] |
N | R [pc./m²] |
N | R [pc./m²] |
||
≤ 0,32 |
≤ 22,5 |
4,2 | 9,3 |
4,9 | 10,9 |
5,5 | 12,4 |
≤ 0,39 |
≤ 25,0 |
5,1 | 11,3 |
6,0 | 13,3 |
6,8 | 15,1 |
≤ 0,47 |
≤ 27,5 |
6,1 | 13,6 |
7,2 | 16,1 |
8,1 | 18,2 |
≤ 0,56 |
≤ 30,0 |
7,3 | 16,2 |
8,6 | 19,1 |
9,7 | 21,6 |
Catégorie de terrain III
Pression de vitesse de référence [kN/m²] |
Vitesse de référence [m/sec] |
Hauteur du bâtiment < 15 [m] |
Hauteur du bâtiment 15-30 [m] |
Hauteur du bâtiment 30-50 [m] |
N | R [pc./m²] |
N | R [pc./m²] |
N | R [pc./m²] |
||
≤ 0,32 |
≤ 22,5 |
3,5 | 7,9 |
4,3 | 9,6 |
5,0 | 11,2 |
≤ 0,39 |
≤ 25,0 |
4,3 | 9,6 |
5,3 | 11,7 |
6,1 | 13,6 |
≤ 0,47 |
≤ 27,5 |
5,2 | 11,6 |
6,3 | 14,1 |
7,4 | 16,4 |
≤ 0,56 |
≤ 30,0 |
6,2 | 13,8 |
7,6 | 16,9 |
8,8 | 19,5 |
Catégorie de terrain IV
Pression de vitesse de référence [kN/m²] |
Vitesse de référence [m/sec] |
Hauteur du bâtiment < 15 [m] |
Hauteur du bâtiment 15-30 [m] |
Hauteur du bâtiment 30-50 [m] |
N | R [pc./m²] |
N | R [pc./m²] |
N | R [pc./m²] |
||
≤ 0,32 |
≤ 22,5 |
2,5 | 5,6 |
3,3 | 7,3 |
4,0 | 8,9 |
≤ 0,39 |
≤ 25,0 |
3,1 | 6,8 |
4,0 | 8,9 |
4,8 | 10,8 |
≤ 0,47 |
≤ 27,5 |
3,7 | 8,2 |
4,8 | 10,7 |
5,8 | 13,0 |
≤ 0,56 |
≤ 30,0 |
4,4 | 9,8 |
5,7 | 12,8 |
6,9 | 15,5 |
Remarque
Quelles que soient les valeurs calculées, l’espacement des pattes ne doit pas dépasser 330 mm pour les pattes fixes et 500 mm pour les pattes coulissantes. Au niveau des installations fixées sur les agrafes (protection contre la neige, sous-construction pour panneaux photovoltaïques, dispositif de sécurité sur le toit), l’espacement des pattes ne doit pas être supérieur à 330 mm !
Calcul de l’espacement des pattes en fonction de la largeur des bacs et du nombre de pattes/m² nécessaire.
100 : (Largeur des bacs [m] × nombre de pattes [pc./m²]) = espacement des pattes [cm] [espacement des pattes max. 50 cm, espacement des pattes fixes max. 33 cm]
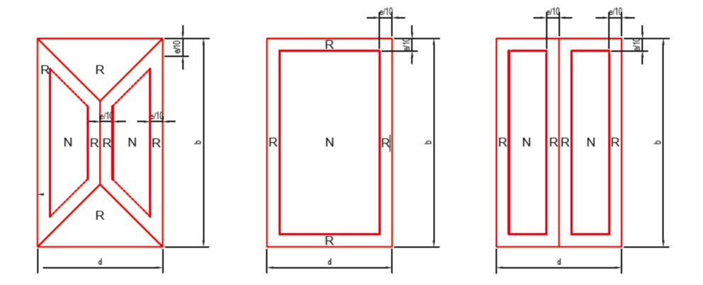
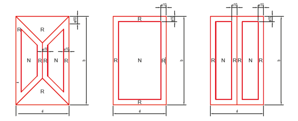
Remarque
e = b ou 2*h (selon la valeur la plus faible) – l’espacement correspond à la surface au sol
ed = espacement sur la surface du toit ; ed= (e/10) / (cos)
b = largeur maximum du bâtiment
h = hauteur maximum du bâtiment
a = pente de toit
Exemple
Lieu |
Innsbruck |
|---|---|
Terrain appartenant à la catégorie de terrain |
II |
Hauteur maximum du bâtiment |
10,5 m |
Vitesse de référence |
27,1 m/sec |
Dépassement Largeur de bac max. selon tableau 1 |
43 cm |
Nombre de pattes pour les rives selon tableau 2 |
12,0 pièces/m² |
Nombre de pattes pour la zone normale selon tableau 2 |
5,4 pièces/m² |
Rives (R) = 100 : (0,43 m × 12,0 pc./m²) = 19,4 cm → 19 cm d’espacement des pattes [espacement des pattes max. 50 cm, espacement des pattes fixes max. 33 cm]
Zone normale (N) = 100 : (0,43 m × 5,4 pc./m²) = 43,1 cm → 43 et 33 cm d’espacement des pattes [espacement des pattes max. 50 cm, espacement des pattes fixes max. 33 cm]
Seul le contenu d'une catégorie de produits peut être téléchargé. Si vous avez besoin du contenu de plusieurs catégories, veuillez créer un téléchargement séparé pour chaque gamme de produits.