Guide de pose
Guide de pose
Veuillez sélectionner un ou plusieurs chapitres à télécharger.
Table des matières

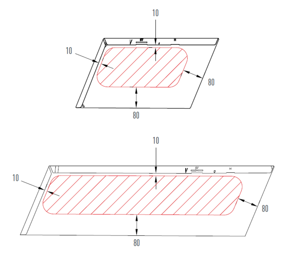
Zone de pose

Si vous installez quelque chose sur la façade (comme des lampes), respectez la zone de pose autorisée des bardeaux de façade pendant l’installation. S’il n’est pas possible de respecter la zone de montage, il faut agrafer une plaque de support.