Maße und Toleranzen in Anlehnung an EN 612
Rinnenhaken |
Länge [mm] |
Differenz zu Standardlänge [mm] |
|
Rinnenhaken 250 |
335 |
||
Rinnenhaken 250 (kurz) |
287 |
- |
48 |
Rinnenhaken 280 |
347 |
||
Rinnenhaken 280 (kurz) |
297 |
- |
50 |
Rinnenhaken 280 (lang) |
445 |
+ |
98 |
Rinnenhaken 333 |
383 |
||
Rinnenhaken 333 (kurz) |
312 |
- |
71 |
Rinnenhaken 333 (lang) |
473 |
+ |
90 |
Rinnenhaken 400 |
452 |
Kastenrinnenhaken |
Länge [mm] |
Kastenrinnenhaken 250 |
325 |
Kastenrinnenhaken 333 |
370 |
Kastenrinnenhaken 400 |
435 |
Kastenrinnenhaken 500 |
455 |
Stirnbretthaken |
Länge [mm] |
Stirnbretthaken 250 |
135 |
Stirnbretthaken 280 |
139 |
Stirnbretthaken 333 |
154 |
Stirnbretthaken für Kastenrinne |
Länge [mm] |
Strinbretthaken für Kastenrinne 250 |
130 |
Stirnbretthaken für Kastenrinne 333 |
145 |
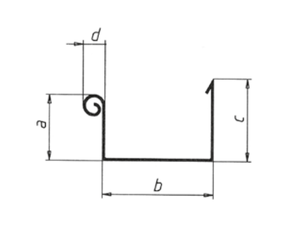
Dachrinnendimension |
Vorderseite a |
Rückseite c |
Rinne e |
Wulst d |
250 (8-teilig) |
61 |
72 |
110 |
19 |
280 (7-teilig) |
67 |
78 |
126 |
19 |
333 (6-teilig) |
87 |
98 |
153 |
19 |
400 (5-teilig) |
110 |
121 |
192 |
19 |
Maße in mm
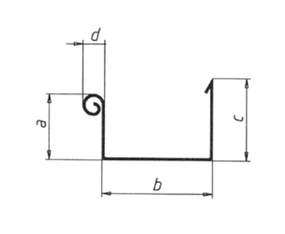
Dachrinnendimension |
Vorderseite a |
Rückseite c |
Rinne e |
Wulst d |
250 (8-teilig) |
54 |
63 |
86 |
19 |
333 (6-teilig) |
75 |
93 |
120 |
19 |
400 (5-teilig) |
92 |
113 |
150 |
19 |
500 (4-teilig) |
114 |
142 |
200 |
19 |
Maße in mm
Rinnenwinkel 90° (außen) |
Länge [mm] |
Rinnenwinkel 250 |
300 |
Rinnenwinkel 280 |
300 |
Rinnenwinkel 333 |
300 |
Rinnenwinkel 400 |
340 |
Rinnenwinkel 90° (innen) |
Länge [mm] |
Rinnenwinkel 250 |
300 |
Rinnenwinkel 280 |
300 |
Rinnenwinkel 333 |
300 |
Rinnenwinkel 400 |
340 |
Kastenrinnenwinkel 90° (außen) |
Länge [mm] |
Kastenrinnenwinkel 250 |
300 |
Kastenrinnenwinkel 333 |
300 |
Kastenrinnenwinkel 400 |
300 |
Kastenrinnenwinkel 500 |
370 |
Kastenrinnenwinkel 90° (innen) |
Länge [mm] |
Kastenrinnenwinkel 250 |
300 |
Kastenrinnenwinkle 333 |
300 |
Kastenrinnenwinkel 400 |
300 |
Kastenrinnenwinkel 500 |
350 |
Es können nur Inhalte aus einer Produktkategorie heruntergeladen werden. Falls Sie Inhalte aus mehreren Kategorien benötigen, erstellen Sie bitte für jeden Produktbereich einen separaten Download.